Send Inquiry

GK..DO

SEND INQUIRY
GK..DO
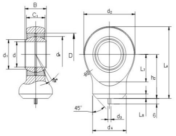
  • -Rod end housing with right or left-hand female thread.

    -It is made up of a radial spherical plain bearing GE..ES or GE..ES 2RS and rod end housing.

    -Rod end housing with a lubricating hole or grease nipple.

  •  

  • Part NoDimensions mmLoad ratings kNWeight kg
    dd3d4BC1d2L7L8h2L4dkd1Dadynstat
    minCC0
    GK10DO*10338.59729151.52438.51613.219128.215.60.041
    GK12DO1234410834181.527441815221110.821.60.066
    GK15DO1545112104020231512218.426817.032.00.120
    GK17DO1745814114623235582520.7301021.240.00.190
    GK20DO20464.516135327.523864.52924.235930.054.00.230
    GK25DO25477201764333457735.529.342748.072.00.430
    GK30DO30487.522197337.535187.540.734.247662.095.00.640
    GK35DO354102252182433611024739.855680.0125.00.960
    GK40DO404115282392484691155345627100.0156.01.300
    GK45DO4561283227102524771286050.8687127.0208.01.800
    GK50DO5061443530112594881446655.9756156.0250.02.500
    GK60DO606167.5443813572.54100167.58066.8906245.0390.03.900
    GK70DO70619549421608651151959277.91056315.0510.06.600
    GK80DO806231554718098514123110589.41206400.0620.08.700

  • -Rod end housing with right or left-hand female thread.

    -It is made up of a radial spherical plain bearing GE..ES or GE..ES 2RS and rod end housing.

    -Rod end housing with a lubricating hole or grease nipple.

if you need to speak to us about general query fill in the form belowand we will call you back within the same working day.

CONTACT

Unit 806, No.9, Jiefang South Road, Ningbo 315010, China

Tel: +86-574-87676065

Fax: +86-574-87675899

Copyright © 2018-2024 Fusco Industry Co., Ltd. All Right Resrrved sitemap